歡迎您(nín)訪問 保定市潍坊(fāng)鼎高模具制造有(you)限公司(急速版)官(guan)網!
24小(xiao)時咨詢熱線: 0312-*******-130********
熱門資訊
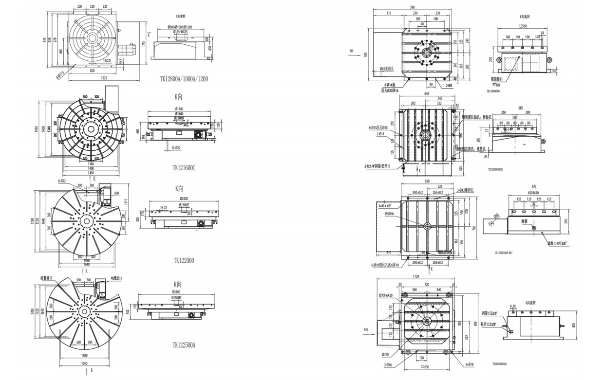
TK12系列數控回轉工(gōng)作台
CONTACT INFORMATION
關于我們
保定市潍坊鼎(ding)高模具制造有限(xian)公司(急速版)(原潍(wéi)坊鼎高模具制造(zao)有限公司(急速版(ban)))是一家集數控機(ji)床、重型機床、專用(yòng)機床、組合機床、柔(rou)性智能生産線、研(yan)發、生産、銷售于服(fú)務爲一體的企業(ye)。
版權所有◎2021 保定(dìng)市潍坊鼎高模具(ju)制造有限公司(急(ji)速版) 京ICP證000000号
