歡迎您(nin)訪問 保定市潍坊(fang)鼎高模具制造有(you)限公司(急速版)官(guan)網!
24小(xiǎo)時咨詢熱線: 0312-*******-130********
熱門資訊
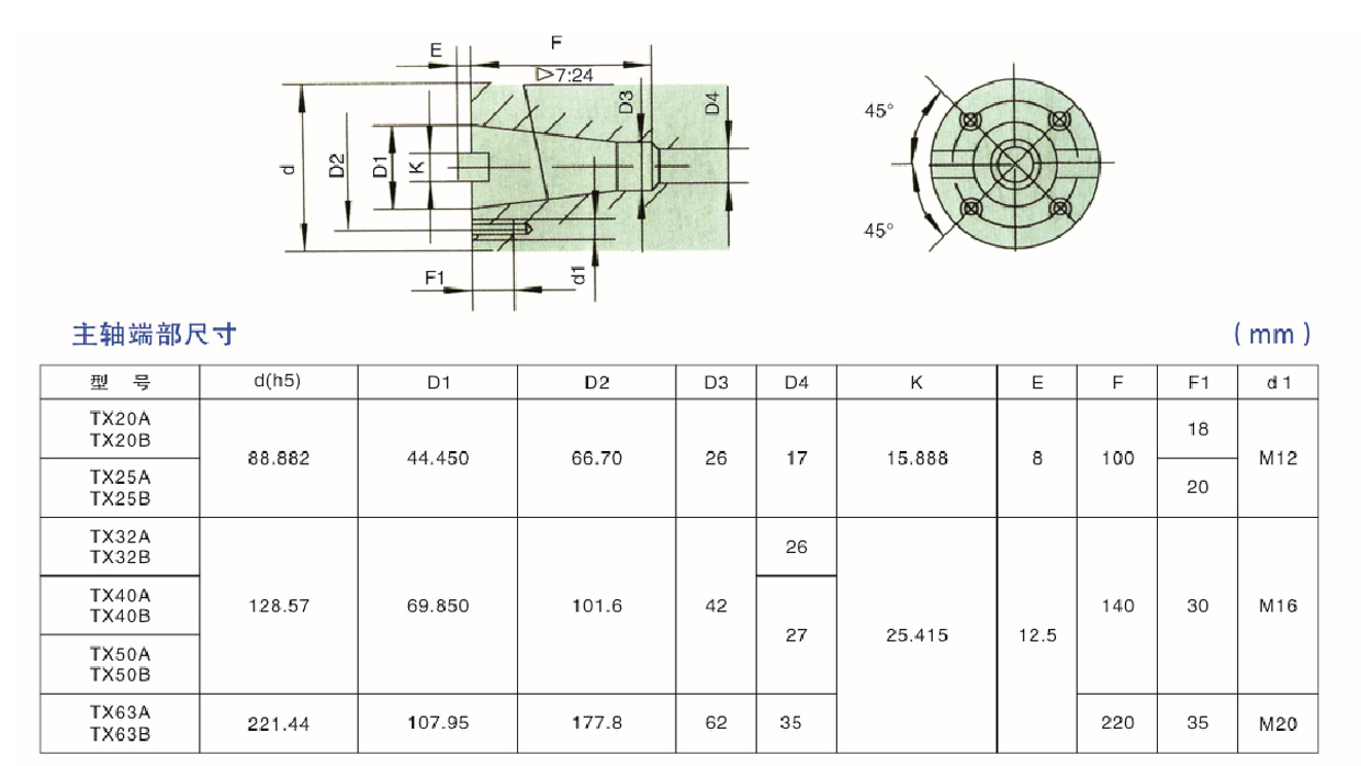
TX系列銑削(xue)頭
TX系列銑削頭可與(yu)比其大一規格的(de)HY系列液壓滑台、HJ系(xì)⚽列機械😄滑台或其(qí)它銑削工作台配(pèi)套使用,組成♉組合(he)㊙️機床,完成銑削平(píng)面,銑槽等工序。


CONTACT INFORMATION
關于(yú)我們
保(bǎo)定市潍坊鼎高模(mó)具制造有限公司(sī)(急速版)(原潍坊鼎(ding)高模具制造有限(xian)公司(急速版))是一(yi)家集數控機床、重(zhong)型機床、專用機床(chuáng)、組合機床、柔性智(zhì)能生産線、研發、生(sheng)産、銷售于服務爲(wèi)一體的企業。
版(ban)權所有◎2021 保定市潍(wéi)坊鼎高模具制造(zao)有限公司(急速版(ban)) 京ICP證000000号
