歡迎您(nín)訪問 保定市潍坊(fang)鼎高模具制造有(you)限公司(急速版)官(guān)網!
24小(xiao)時咨詢熱線: 0312-*******-130********
熱門資訊
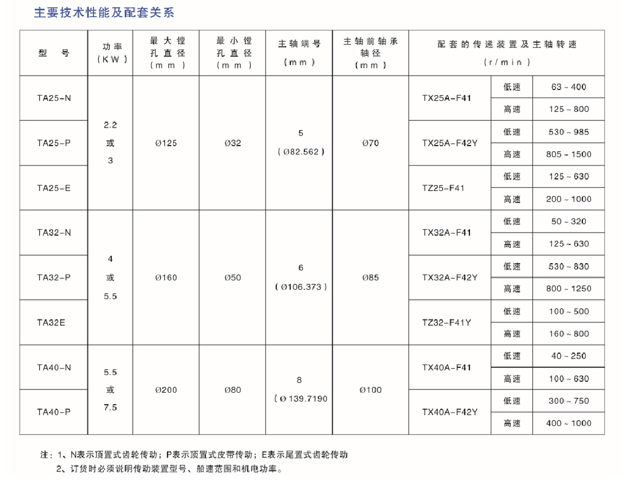
TA系列镗削(xue)頭
本系列镗削頭與(yu)相同規格的液壓(ya)滑台或機械滑台(tái)相🙇🏻配套組成镗削(xue)組合機床,用以完(wan)成對鑄鐵,鋼及有(yǒu)色金😄屬工件的🔅儋(dan)州⁉️剛性粗、精镗孔(kong)加工。最高镗孔精(jing)😄度IT7,被加工表面的(de)最佳表面粗糙度(du)可達1.6。特殊訂貨可(kě)實現手動變速。


CONTACT INFORMATION
關于我們
保定市潍(wei)坊鼎高模具制造(zào)有限公司(急速版(ban))(原潍坊鼎高模具(ju)制造有限公司(急(ji)速版))是一家集數(shu)控機床、重型機床(chuáng)、專用機床、組合機(ji)床、柔性智能生産(chǎn)線、研發、生産、銷售(shou)于服務爲一體的(de)企業。
版權所有(you)◎2021 保定市潍坊鼎高(gāo)模具制造有限公(gōng)司(急速版) 京ICP證000000号(hao)
